Узел крепления типа КГП-9/12-3
Узел крепления типа КГП-9/12-3 предназначен для крепления поддерживающих изолирующих подвесок к опорам воздушных линий электропередачи и распределительных устройств. Узел крепления типа КГП-9/12-3 имеет размеры, соответствующие привязочным размерам унифицированных промежуточных опор. Разрушающая нагрузка 90/120 кН. Масса 0,7 кг. Узел крепления соответствует требованиям ТУ 3449-108-00111120-94.
Узел крепления типа КГП

Узел крепления типа КГП предназначены для крепления поддерживающих изолирующих подвесок к опорам линий электропередачи и распределительных устройств. Узлы крепления типа КГП имеют размеры, соответствующие привязочным размерам унифицированных промежуточных опор. Узел крепления соответствуют требованиям ТУ 3449-108-00111120-94.
| Марка узла | Размеры, мм | Разрушающая нагрузка, кН | Масса, кг | ||||
| L | H | d | amax | amin | |||
| КГП-7-3 | 80 | 32 | 16 | 8 | 6 | 70 | 0,44 |
| КГП-16-3 | 80 | 39 | 20 | 16 | 12 | 160 | 0,81 |
| КГП-21-3 | 100 | 38 | 24 | 16 | 12 | 210 | 1,22 |
Узел крепления типа КГП (комплектуются серьгой)

Узлы крепления типа КГП предназначены для крепления поддерживающих изолирующих подвесок к опорам линий электропередачи и распределительных устройств. Узлы крепления типа КГП имеют размеры, соответствующие привязочным размерам унифицированных промежуточных опор. Узлы крепления соответствуют требованиям ТУ 3449-00111120-94.
| Марка узла | Размеры, мм | Комплектуется серьгой | Разрушающая нагрузка, кН | Масса, кг | |||||
| L | H | H1 | d | amax | amin | ||||
| КГП-7-2Г | 50 | 315 | 238 | 16 | 8 | 6 | СРС-7-16 | 70 | 1,26 |
| КГП-7-2Д | 50 | 325 | 248 | 16 | 8 | 6 | СРС-7-16 | 70 | 1,28 |
| КГП-7-2Е | 80 | 224 | 147 | 16 | 8 | 6 | СРС-7-16 | 70 | 0,97 |
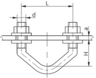
Узел крепления типа КГП (комплектуются скобой)

Узлы крепления типа КГП предназначены для крепления поддерживающих изолирующих подвесок к опорам воздушных линий электропередачи и распределительных устройств. Узлы крепления типа КГП имеют размеры, соответствующие привязочным размерам унифицированных промежуточных опор. Узлы крепления соответствуют требованиям ТУ 3449-108-00111120-94.
| Марка узла | Размеры, мм | Комплектуется скобой | Разрушающая нагрузка, кН | Масса, кг | |||||||
| L | H | H1 | d | B | d1 | amax | amin | ||||
| КГП-7-1 | 80 | 82 | 18 | 16 | 17 | 16 | 8 | 6 | СК-7-1А | 70 | 0,8 |
| КГП-12-1 | 80 | 104 | 21 | 20 | 23 | 22 | 16 | 12 | СК-12-1А | 120 | 2 |
| КГП-16-1 | 100 | 113 | 18 | 24 | 26 | 25 | 16 | 12 | СК-16-1А | 160 | 2,43 |
| КГП-16-2 | 80 | 109 | 19 | 20 | 26 | 25 | 16 | 12 | СК-16-1А | 160 | 2 |
| КГП-21-2 | 100 | 118 | 14 | 24 | 29 | 28 | 16 | 12 | СК-21-1А | 210 | 3 |
Узел крепления типа КГП (комплектуются скобой)

Узлы крепления типа КГП предназначены для крепления поддерживающих изолирующих подвесок к опорам воздушных линий электропередачи и распределительных устройств. Узлы крепления типа КГП имеют размеры, соответствующие привязочным размерам унифицированных промежуточных опор. Узлы крепления соответствуют требованиям ТУ 3449-108-00111120-94.
| Марка узла | Размеры, мм | Комплектуется скобой | Разрушающая нагрузка, кН | Масса, кг | |||||||
| L | H | H1 | d | B | d1 | amax | amin | ||||
| КГП-7-1А | 60 | 194 | 130 | 16 | 17 | 16 | 8 | 6 | СК-7-1А | 70 | 1,02 |
| КГП-7-1Б | 50 | 229 | 165 | 16 | 17 | 16 | 8 | 6 | СК-7-1А | 70 | 1,1 |
| КГП-12-1А | 55 | 266 | 183 | 20 | 23 | 22 | 16 | 12 | СК-12-1А | 120 | 2,56 |
| КГП-9/12-2С | 44 | 95 | 12 | 20 | 23 | 22 | 16 | 12 | СК-12-1А | 120 | 1,7 |
Узел крепления типа КГТ-7-1

Узел крепления типа КГТ-7-1 предназначен для крепления поддерживающих подвесок молниезащитных тросов к деревянным опорам. Минимальная разрушающая нагрузка 70 кН. Масса 3,7 кг. Узел крепления КГТ-7-1 соответствует требованиям ТУ 3449-108-00111120-94.
Узел крепления типа КГ-1

Узел крепления типа КГ-1 предназначен для крепления натяжных и поддерживающих гирлянд. Разрушающая нагрузка 40 кН. Масса 0,26 кг. Узел крепления соответствует ГОСТ 13276.
Узлы крепления типа КГ (комплектуются скобой)
Узлы крепления типа КГ предназначены для крепления натяжных и поддерживающих изолирующих подвесок к опорам воздушных линий электропередачи и распределительных устройств. Узлы крепления типа КГ крепятся к опорам U-образными болтами. После затяжки гайки фиксируются от самоотвинчивания раскерниванием. Узлы крепления соответствуют требованиям ТУ 3449-108-00111120-94.
| Марка узла | Размеры, мм | Комплектуется | Разрушающая нагрузка, кН | Масса, кг | ||||
| L | H | H1 | d | l | ||||
| КГ-12-1 | 85 | 92 | — | 16 | 41 | скобой | 120 | 2,11 |
| КГ-12-3 | 85 | — | — | 16 | 41 | — | 120 | 1,2 |
| КГ-16-1 | 97 | 99 | 9 | 20 | 48 | скобой | 160 | 3,22 |
| КГ-21-3 | 95 | — | — | 20 | 48 | — | 210 | 2 |
Узлы крепления типа КГН

Узлы крепления типа КГН предназначены для крепления изолирующих подвесок на специальных переходах с большими механическими нагрузками. Конструкция узла крепления выполнена в виде вертлюга, позволяющего осуществлять привязку к опорам трубчатых и других конструкций. Узлы крепления КГН соответствуют требованиям ТУ 3449-00111120-94.
| Марка узла | Размеры, мм | Разрушающая нагрузка, кН | Масса, кг | |||||
| B | L | H | H1 | D | d | |||
| КГН-7-5 | 16 | 60 | 120 | 105 | 17 | 32 | 70 | 3,07 |
| КГН-12-5 | 22 | 70 | 160 | 140 | 23 | 40 | 120 | 5,2 |
| КГН-16-5 | 25 | 70 | 160 | 140 | 26 | 40 | 160 | 5,22 |
| КГН-21-5 | 28 | 85 | 180 | 160 | 29 | 50 | 210 | 10,1 |
| КГН-30-5 | 36 | 100 | 200 | 180 | 38 | 56 | 300 | 15,6 |
| КГН-45/30-1А | 40 | 115 | 242 | 190 | 42 | 56 | 450 | 16 |
| КГН-45-5 | 40 | 115 | 220 | 200 | 42 | 70 | 450 | 23,6 |
| КГН-60-5 | 45 | 125 | 220 | 200 | 47 | 75 | 600 | 29 |
Крюк литой универсальный КЛУ-16-А
Крюк литой универсальный КЛУ-16-А предназначен для поддержания изолированных проводов на линиях до 0,4 кВ. Крюк крепится к опоре с помощью болтов или ленты к рабочей поверхности. Провод фиксируется на крюке посредством натяжной или поддерживающей арматуры.
Узел крепления экранов УКЭ-1Б

Узлы крепления экранов типа УКЭ-1Б применяются на линиях электропередачи напряжением от 330 кВ до 1150 кВ. Масса 8,4 кг. Соответствует требованиям ТУ 3449-006-400645 47-2001.














