Ушко У1-4/7-11/16

Ушко однолапчатое предназначено для соединения стержня подвесного изолятора или серьги с другой линейной арматурой. Гнездо сферического шарнирного соединения ушек выполняется по ГОСТ 27396-93. Соединяемые размеры проушин соответствуют требованиям ГОСТ 11359-75. Разрушающая нагрузка 40 кН. Масса 0,29 кг. Ушки соответствуют требованиям ТУ 3449-111-00111120.
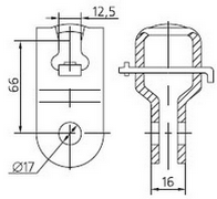
Ушки однолапчатые типа У1, У1К

Ушки предназначены для соединения стержня подвесного изолятора или серьги с другой линейной арматурой. Гнездо сферического шарнирного соединения ушек выполняется по ГОСТ 27396-93. Соединяемые размеры проушины соответствуют ГОСТ 11359-75. Ушки комплектуются W-образными замками для запирания стержня изолятора или пестика серьги. Ушки соответствуют требованиям ТУ 3449-111-00111120-95.
| Марка ушка | Размеры, мм | Разрушающая нагрузка, кН | Масса, кг | |||
| H | A | B | D | |||
| У1-7-16 | 96,5 | 19,2 | 16 | 17 | 70 | 0,67 |
| У1-12-16 | 102,5 | 19,2 | 22 | 23 | 120 | 1,05 |
| У1-16-20 | 113,5 | 23 | 25 | 26 | 160 | 1,6 |
| У1К-7-16 | 77 | 19,2 | 16 | 17 | 70 | 0,62 |
Ушки двухлапчатые типа У2, У2К

Применяется для соединения стержня линейного изолятора или пестика с линейной арматурой. Соответствует требованиям ТУ 3449-111-00111120-95.
| Марка ушка | Размеры, мм | Разрушающая нагрузка, кН | Масса, кг | |||
| H | A | B | d | |||
| У2-7-16 | 95,5 | 19,2 | 17 | 16 | 70 | 0,98 |
| У2-12-16 | 102,5 | 19,2 | 23 | 22 | 120 | 1,52 |
| У2-16-20 | 113,5 | 23 | 26 | 25 | 160 | 2,17 |
| У2К-7-16 | 77 | 19,2 | 17 | 16 | 70 | 0,98 |
Ушки двухлапчатые типа УС, УСК
Применяется для обеспечения цепного соединения со скобами.
| Марка ушка | Размеры, мм | Разрушающая нагрузка, кН | Масса, кг | |||
| H | A | B | d | |||
| УС-7-16 | 104 | 19,2 | 110 | 18 | 70 | 1,25 |
| УС-12-16 | 113 | 19,2 | 122 | 25 | 120 | 2 |
| УСК-7-16 | 67 | 19,2 | 110 | 18 | 70 | 1,2 |
| УСК-12-16 | 78 | 19.2 | 125 | 25 | 120 | 2,1 |
Ушко специальное У-40
Ушко предназначено для соединения подвесного изолятора или серьги с другой линейной арматурой. Гнездо шарнирного соединения ушка выполняется для соединения стержня и серьги. Соединяемые размеры проушины соответствуют ГОСТ 11359-75. Разрушаемая нагрузка — 35 кН. Масса — 0,15 кг. Ушко соответствует требованиям ТУ 3449-111-00111120-95.







