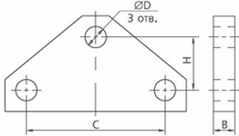
Коромысла двухцепные типа К2 с одной точкой крепления предназначены для присоединения к одноцепным изолирующим подвескам двух проводов фазы на линиях электропередачи. Коромысла двухцепные соответствуют требованиям ТУ 3449-112-00111120
Коромысла двухцепные типа К2
.
| Марка коромысла | Размеры, мм | Разрушающая нагрузка, кН | Масса, кг | |||
| B | C | H | D | |||
| К2-7-1С | 16 | 120 | 70 | 17 | 70 | 1,5 |
| К2-12-2 | 22 | 150 | 60 | 23 | 120 | 2,5 |
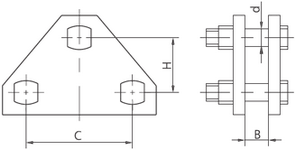
Коромысла универсальные типа 2КУ
Коромысла универсальные типа 2КУ применяются для комплектования двухцепных изолирующих подвесок и крепления двух проводов фазы к изолирующим подвескам на линиях электропередачи. Коромысла универсальные 2КУ соответствуют требованиям ТУ 3449-112-00111120-95.
| Марка коромысла | Размеры, мм | Разрушающая нагрузка, кН | Масса, кг | ||||
| B | L | R | d | H | |||
| 2КУ-12-2 | 20 | 600 | 10 | 30 | 315 | 117 | 11,7 |
| 2КУ-12-1 | 20 | 400 | 10 | 23 | 190 | 120 | 4,4 |
| 2КУ-30-1 | 30 | 450 | 15 | 34 | 213 | 300 | 8,6 |
| 2КУ-45-1 | 36 | 400 | 18 | 42 | 213 | 183 | 10,7 |
| 2КУ-90-1А | 48 | 450 | 24 | 34 | 145 | 900 | 25 |
| 2КУ-135-1 | 60 | 600 | 26 | — | 340 | 1350 | 48 |
Коромысло универсальное лучевое ЗКУ-16-1
Коромысло универсальное лучевое типа 3КУ-16-1 применяется для крепления трех проводов к изолирующей подвеске. Обеспечивают соединение цепного типа. Разрушающая нагрузка 160 кН. Масса 0,9 кг. Соответствует требованиям ТУ 3449-112-00111120-95.
Коромысло универсальное лучевое 5КУ-60-1
Коромысло универсальное лучевое типа 5КУ-60-1 применяется для крепления пяти проводов фазы к изолирующим подвескам на линиях электропередачи. Разрушающая нагрузка 600 кН. Масса 76 кг. Коромысла универсальные соответствуют требованиям ТУ 3449-112-00111120-95.
Коромысло универсальное лучевое 8КУ-53-1
Коромысла универсальные лучевое типа 8КУ-53-1 применяется для крепления восьми проводов фазы к изолирующим подвескам на линиях электропередачи. Разрушающая нагрузка 530 кН. Масса 66,8 кг. Коромысла универсальные соответствуют требованиям ТУ 3449-112-00111120-95.
Коромысла двухцепные типа 2КД

Коромысла двухцепные типа 2КД с одной точкой крепления предназначены для присоединения к одноцепным изолирующим подвескам двух проводов фазы на линиях электропередачи. Коромысла двухцепные соответствуют требованиям ТУ 3449-112-00111120-95.
| Марка коромысла | Размеры, мм | Разрушающая нагрузка, кН | Масса,кг | |||
| C | H | B | d | |||
| 2КД-7-1С | 120 | 70 | 17 | 16 | 70 | 1,46 |
| 2КД-12-1С | 800 | 175 | 23 | 22 | 120 | 21,7 |
Коромысла двухцепные типа 2КД2
Коромысла двухцепные типа 2КД2 с двумя точками крепления применяются в изолирующих подвесках на линиях электропередачи. Коромысла соответствуют требованиям ТУ 3449-112-00111120-95.
| Марка коромысла | Размеры, мм | Разрушающая нагрузка, кН | Масса, кг | ||
| C | C1 | H | |||
| 2КД2-240-1 | 2700 | 600 | 2760 | 2158 | 429 |
| 2КД2-240-2 | 1200 | 600 | 2953 | 2158 | 375 |
| 2КД2-240-3 | 2700 | 960 | 2825 | 2158 | 436 |
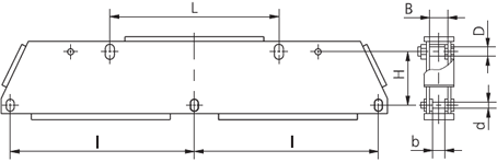
Коромысла трехцепные двухреберные типа 3КД2
Коромысла трехцепные двухреберные типа 3КД2 с двумя точками крепления применяются в изолирующих подвесках на линиях электропередачи. Коромысла соответствуют требованиям ТУ 3449-112-00111120-95.
| Марка коромысла | Размеры, мм | Разрушающая нагрузка, кН | Масса, кг | ||||||
| L | l | H | B | b | D | d | |||
| 3КД2-60-1 | 600 | 450 | 160 | 38 | 29 | 36 | 45 | 600 | 56,5 |
| 3КД2-120-1 | 1500 | 900 | 250 | 47 | 42 | 45 | 40 | 1200 | 213 |
| 3КД2-180-1 | 1200 | 1350 | 350 | 58 | 47 | 48 | 45 | 1800 | 457,1 |
Коромысло однореберное трехлучевое КТ3-7-1
Коромысло однореберное трехлучевое КТ3-7-1 предназначено для крепления трех проводов к изолирующим подвескам. Минимальная разрушающая нагрузка 70 кН. Масса коромысла 1,5 кг. Коромысло соответствует требованиям ТУ 3449-112-00111120-95.
Коромысла трехцепные балансирные типа 3КБ
Коромысла трехцепные балансирные типа 3КБ с одной точкой крепления применяются в изолирующих подвесках на линиях электропередачи. Коромысла балансирные 3КБ соответствуют требованиям ТУ 3449-112-00111120-95.
| Марка коромысла | Размеры, мм | Разрушающая нагрузка, кН | Масса, кг | ||||
| L | H | D | B | d | |||
| 3КБ-21-1 | 400 | 665 | 26 | 17 | 16 | 210 | 25,8 |
| 3КБ-40-1 | 450 | 750 | 34 | 23 | 22 | 400 | 61,2 |
| 3КБ-45-1 | 450 | 753 | 36 | 26 | 25 | 450 | 65.8 |
| 3КБ-60-1 | 450 | 780 | 40 | 29 | 28 | 600 | 90,8 |
| 3КБ-90-1 | 900 | 1225 | 48 | — | — | 900 | 212 |
| 3КБ-90-2 | 450 | 850 | 48 | 38 | 36 | 900 | 108 |
| 3КБ-120-1 | 900 | 1230 | 60 | — | — | 1200 | 291 |
| 3КБ-120-3 | 600 | 940 | 60 | 42 | 40 | 1200 | 188 |
| 3КБ-180-2 | 1350 | 1830 | 70 | — | — | 1800 | 650 |
| 3КБ-180-4 | 900 | 1305 | 70 | — | — | 1800 | 429 |
| 3КБ-270-1 | 1350 | 2111 | 85 | — | — | 2700 | 945 |
Коромысла лучевые типа 2КЛ

Коромысло лучевое типа 2КЛ применяется для объединения двух цепей натяжной изолирующей подвески на линиях электропередачи. Коромысло соответствует требованиям ТУ 3449-112-00111120-95.
| Марка коромысла | Размеры, мм | Разрушающая нагрузка, кН | Масса, кг | ||||||
| L | L1 | L2 | B | S | b | d | |||
| 2КЛ-12/16-1 | 660 | 287 | 225 | 24 | 12 | 78 | 22 | 60 | 14,5 |
| 2КЛ-21-1 | 680 | 380 | 300 | 32 | 16 | 140 | 28 | 90 | 25,2 |
Коромысло лучевое типа 3КЛ-21-3
Коромысло лучевое типа 5КЛ-21-3 применяется для объединения трех цепей натяжной изолирующей подвески с помощью лучей коромысла. Разрушающая нагрузка 90 кН. Масса 49,0 кг. Соответствует требованиям ТУ 3449-112-00111120-95.
Коромысло лучевое типа 5КЛ-40-1
Коромысло лучевое типа 5КЛ-40-1 применяется для объединения пяти цепей натяжной изолирующей подвески на линиях электропередачи. Минимальная разрушающая нагрузка 190 кН. Масса коромысла 149,0 кг. Коромысло соответствует требованием ТУ 349-112-00111120-95.
Коромысло лучевое типа 8КЛ-16-2

Коромысло лучевое типа 8КЛ-16-2 применяется для объединения восьми цепей натяжной изолирующей подвески на линиях электропередачи. Минимальная разрушающая нагрузка 75 кН. Масса коромысла 156,6 кг. Коромысло соответствует требованиям ТУ 3449-112-00111120-95.

























